Соединения для измерительных устройств в Витебске

Соединения для подключения измерительных устройств предназначены для монтажа контрольно-измерительных приборов (манометров, датчиков) в гидравлических и пневматических системах. Они обеспечивают герметичное и надечное подключение к трубопроводам и оборудованию.

Использование качественных соединений предотвращает утечки рабочих сред, обеспечивает точность показаний измерительных приборов и повышает общую надежность системы. Это критически важно для безопасной и эффективной работы оборудования.

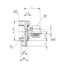
Мы предлагаем продукцию из латуни и нержавеющей стали, устойчивую к коррозии и высокому давлению. Доступны модели с уплотнительными кольцами (серия GG) для повышенной герметичности, а также стандартные исполнения.

Ассортимент включает различные конфигурации: переходники BSP, соединения для манометров TN403, угольники banjo TN111 и TN111GG M. Это позволяет подобрать оптимальное решение для любой технической задачи.

Переходник с уплотнительным кольцом BSP TN141GG
Цена по запросу
Соединение для манометра TN403
Цена по запросу
Угольник banjo TN111
Цена по запросу
Угольник banjo с уплотнительным кольцом TN111GG M
Цена по запросу
Показано с 1 по 4 из 4 (всего 1 страниц)