• Наличие
    В наличии
Цена по запросу

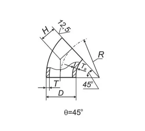
Отводы 45° в усиленной изоляции ВУС предназначены для монтажа стальных магистральных трубопроводов, обеспечивая плавное изменение направления потока транспортируемых сред. Их основное применение – сети теплоснабжения, водоснабжения и другие промышленные коммуникации, где требуется высокая коррозионная стойкость и долговечность.

Использование отводов в ВУС изоляции значительно увеличивает срок службы трубопровода, защищая его от агрессивного воздействия почвы и блуждающих токов. Это позволяет снизить затраты на обслуживание и ремонт, минимизируя риски аварийных ситуаций и простоев.

Продукция отличается высоким качеством, соответствует строгим техническим стандартам. Изготавливается из надежных марок стали (09Г2С, 17Г1С, сталь 20, сталь 3) с широким диапазоном типоразмеров: условный проход (Dn) от 15 до 800, разнообразие диаметров и толщин стенки для любых проектных требований.

Мы предлагаем широкую вариативность выбора под ваши задачи. Доступны различные комбинации диаметров, толщин стенки и марок стали. Оформите онлайн-заказ или запросите коммерческое предложение для юридических лиц с безналичным расчетом.

Отзывов: 0

Нет отзывов об этом товаре.

Вопросов: 0

Пока нет вопросов об этом товаре. Станьте первым!