- НаличиеВ наличии
Переходные зажимы типа ППТ предназначены для надежного и безопасного перехода с одного провода на два в воздушных линиях электропередачи. Они обеспечивают стабильный электрический контакт и механическую прочность соединения, что критически важно для бесперебойной работы ЛЭП.
Использование зажимов ППТ позволяет упростить монтажные работы, повысить надежность электрической сети и снизить эксплуатационные расходы. Это незаменимый элемент при ответвлениях от магистральных линий и организации сложных конфигураций электросетей.
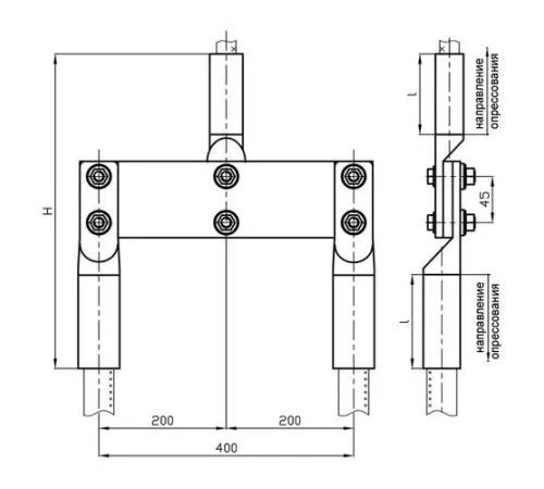
Продукция отличается высоким качеством изготовления и соответствует всем требованиям нормативных документов. Доступны различные варианты исполнения для проводов разного диаметра (min: 21.6, 24, 27.5, 36.2 мм; max: 23.1, 25.6, 30.6, 37.5 мм) и массы (6.6, 6.93, 7 кг), включая марки ППТ-1, ППТ-2 и ППТ-3.
Нет отзывов об этом товаре.
Пока нет вопросов об этом товаре. Станьте первым!
